Tel: +886-2-2782-1992
Fax: +886-2-26546283
Mob: +886 920471336
E-mail: oversea@splockers.com
Add: 1F., No.5, Lane 166, Chongyang Rd., Nanqang, District, Taipei, Taiwan
● Make up of Zinc Alloy & the surface is chrome plated
● Mechanical (3-digit dial lock)
● No worry loosing and duplicating keys.
Supreme Mechanical Keyless Combination Lock, is the best quality smart lock that remove the needless trouble of carrying keys and enhance the security of the storage. Locks used to be primarily used in schools, gyms, clubs, SPA, but they are now much more popular in today’s corporates, plants for the solutions they offer.
Our Supreme Keyless Lock is made up of Zinc Alloy. When it comes to keyless locks, as a supplier, we believe in developing products that are versatile and easy to use across a range of needs. Our keyless locks are ideal to use for generic lockers employed in schools, clubs, sports and recreational areas, homes or even for personal lockers.
Features
● Much Securer than cam key lock- 1000 sets of the combination codes.
● Master Key Control: security purpose and restore the forgotten codes.
● Convenience: Users set their own number codes and reuse the same locker unit.
● Recover forgotten codes by Search Pin
● Lock and Unlock indicator
● Economic: Keyless locker, save manpower and maintenance costs
● Ideal application: Fitness Centers, offices, factories, Sports, etc.
● Use: can be installed in Wood, Metal & ABS lockers
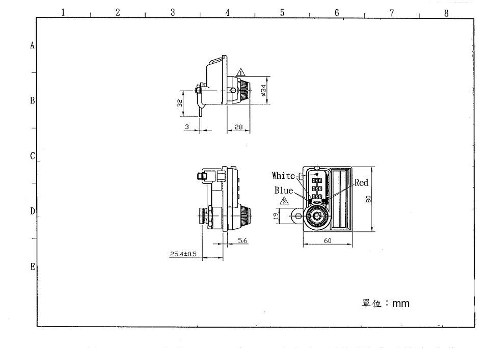
Mode Code: N8-3A (with door handle), N8-3A-1
|  |  | 
Dimension:

Previous: Simple Keyless Lock
Next: Advanced Keyless Lock